当前位置:产品事业部 >> 安捷伦

Agilent IDP-10 隔离型涡旋式干泵

发布日期:2026-3-27 10:39:26 访问次数:69

Agilent IDP-10 隔离型涡旋式干泵
Agilent IDP-10 是一款静音、紧凑、无油的隔离型涡旋式干泵,具有远程抽速控制功能。IDP-10 使用变频驱动电机,在全球所有频率和输入电压下均能提供稳定如一的真空性能。稳定如一的全球性能和紧凑的尺寸使其成为分析仪器和工业原始设备制造商的理想选择。

IDP 泵具有密封设计,电机和轴承与真空环路完全隔离,延长了轴承的使用寿命,并提供洁净、无油的真空条件。IDP 泵采用单面涡旋设计,可通过简单的工具在 15 分钟内完成维护操作。可选的集成式隔离阀防止意外污染,并且不会额外增加泵的高度。

安捷伦IDP-10真空泵

安捷伦IDP-10漩涡真空泵

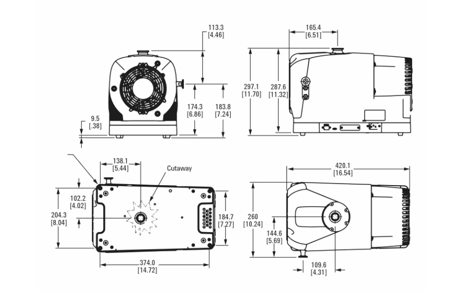
安捷伦IDP-10真空泵尺寸

安捷伦IDP-10真空泵抽速

特性:
1、紧凑小巧,在全球所有频率和输入电压下均能提供稳定如一的真空性能
2、远程抽速控制和远程开关功能
3、洁净、无油的真空环路 — 无需繁琐的维护,不存在污染风险
4、密封设计,与电机和轴承完全隔离
5、受保护的轴承对水蒸气具有较高的耐受性
6、静音运行,提高工作场所舒适性
7、低振动 — 不影响仪器
8、可选的集成式隔离阀确保系统安全,并且不会额外增加泵的高度
9、使用寿命长,维护快速
10、三重四极杆 GC/MS 仪器的理想选择
11、发货时不带电源线,需要单独订购

性能指标:

噪音水平 53 dB(A)
宽度 10.05 in
尺寸(宽 x 高 x 长) 10.05 in x 11.7 in x 16.54 in
抽速 (50 Hz) 全转速下为 10.2 m3/h
全转速下为 170 L/min
6 CFM
抽速 (60 Hz) 全转速下为 10.2 m3/h
全转速下为 170 L/min
6 CFM
排气口连接 NW16
操作环境温度 5 °C 至 40 °C
41 °F 至 104 °F
最大进气口压力 1.0 atm (0 psig)
极限压力 (50 Hz) — Torr 和 mbar 2.0 x 10–2 mbar
1.5 x 10–2 Torr
极限压力 (60 Hz) — Torr 和 mbar 2.0 x 10–2 mbar
1.5 x 10–2 Torr
输入电压 200-240 VAC
运输重量 28.1 kg
进样口连接 NW25
重量(只有泵时) 24.7 kg
54.5 lbs
长度 16.54 in
高度 11.7 in

工作时间

早9:00 - 晚18:00

周六日休息

13520003658