当前位置:真空泵维修

日本岩田涡旋干泵ISPC-1000维修保养

发布日期:2026-3-26 10:45:13 访问次数:130

日本岩田涡旋干泵ISPC-1000维修保养

一、产品简介

日本岩田真空泵ISP最畅销的无油泵

[NEW]提高了防泄漏性能的防泄漏规格新登场!
・清洁排气、真空
・低振动、低噪音,使用方便
・对应CE、CSA
・对应RoHS指令

二、产品特点

丰富的产品系列

从ISP-50、ISP-90、ISP250C、ISP500C、ISPC-1000,共5个机型。
从大气压到极限压力,可对应广泛的压力范围。
因为是多电压电源,可使用世界任何地方的电源(除ISP-50外)。
“实际业绩”是阿耐思特岩田的证明

从加速器到通用真空市场,无油涡旋真空泵正在各种真空环境下大显身手。
润滑油不会逆扩散,可得到清洁的真空。
能承受大气压和真空的反复切换,在大气附近也可以连续运转。
所以是最畅销的产品。
低振动、低噪音、高效率!这就是涡旋真空泵

吸气、压缩、排气行程连续,采用的涡旋机构扭矩变化小,所以低振动、低噪音。
吸气室和排气室不相邻,所以泄漏量少,效率高。
维护简单

不使用冷却水和润滑油,所以设置、维护也非常简单。
不需要检查或更换滤油器、润滑油。

三、产品用途

有些客户希望高效回收对稀有气体和环境有影响的气体,有些客户希望进行高精度分析,根据他们的要求,我们在500L级产品中新增加了防泄漏规格,与旧机型相比,防泄漏性能大大提高了。
当然,因为是涡旋式,所以具有低振动、低噪音的特点,可在从大气压到极限压力的范围内使用。
 [主要用途]
  ■气体回收
  ■分析装置
  ■其他

■溅射装置、蒸镀装置、离子电镀装置    ■加速器
■表面改质装置、电子束加工    ■真空溶解炉、真空热处理炉
■气体循环、回收装置    ■理化实验用、分析机器用
■各种排气装置    ■真空包装机
■He检漏仪    ■其他
■真空吸附搬运


四、具体产品

产品名称: ISPC-1000 Scroll pump

产品型号: ISPC-1000

产品展商: 日本岩田 Anest Iwata

五、产品参数

Anest Iwata ISPC-1000 Scroll pump 是日本阿耐思特岩田公司生产完全无油的涡旋干泵,

Anest Iwata Scroll pump ISPC-100 Scroll pump  其在50Hz下对应的抽气速度为1000L/m,

Anest Iwata ISPC-1000 Scroll pump 对应的极限真空值为7.5*10-3Torr.

日本岩田无油干泵ISPC-1000马达消耗功率为1500W。

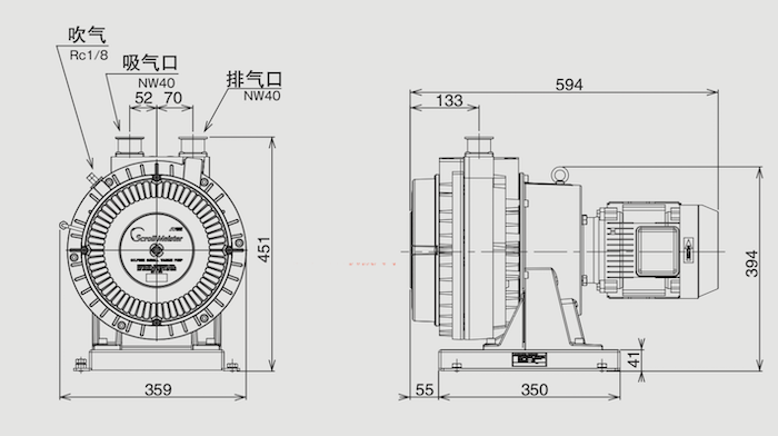
六、设备尺寸

岩田真空泵ISPC-1000尺寸,维修保养

七、相关产品参数对比

八、维修步骤

(一)外观检测

主要包括机身是否有比较明显的硬伤,设备进气口、出口等是否有杂物等。

(二)加电测试

开展真空、温度、噪声、震动等方面的测试,为问题排查做好前期准备。

(三)故障维修

解决真空不理想、温度过高、噪声过大、震动等方面问题。

(四)设备测试

针对不同型号设备,开展设备的测试包括真空、温度等,并进行记录;设备运行12-48小时。

(五)出具维修报告

出具问题排查报告,包括问题排查过程、结论、修复情况、测试情况等。

(六)设备交付

专业打包,确保设备安全送到客户手上。

(七)后期跟踪

定期回访,形成良好的合作关系。

九、维修示例

本示例主要针对日本岩田ISPC-1000E的漩涡干泵进行举例。

岩田真空泵维修

岩田真空泵FS1涡旋盘

岩田真空泵OS涡旋盘

岩田真空泵FS1涡旋盘

工作时间

早9:00 - 晚18:00

周六日休息

13520003658